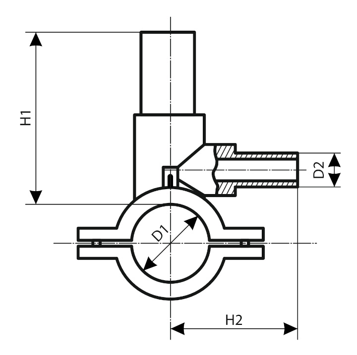
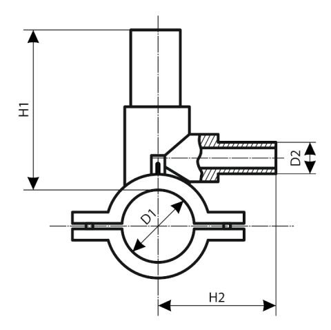
Электросварной седловой отвод ALLURE предназначен для врезки ответвления в действующий или строящийся полиэтиленовый трубопровод без его демонтажа. Седловая форма корпуса обеспечивает надёжное прилегание к трубе любого диаметра, а встроенный нагревательный элемент формирует прочный сварной шов по всему периметру контакта.
Характеристики
- Материал: полиэтилен ПЭ100
- Применяется на трубах: ПЭ80, ПЭ100
- Метод соединения: электросварка (седловой тип)
- Встроенный нагревательный элемент по всей площади опоры
- Рабочая температура: −20°C до +40°C
- Соответствие: ГОСТ Р 52779, EN 12201, ISO 8085
- Бренд: ALLURE
Преимущества
- Врезка ответвления без остановки транспортировки среды (при наличии шарового крана)
- Не требует демонтажа основного трубопровода
- Большая площадь контакта — надёжное соединение даже при вибрациях
- Минимальные трудозатраты при подключении новых абонентов
- Широкий диапазон типоразмеров — от DN 63 до DN 630
Область применения
Подключение новых абонентов к магистральным водо- и газопроводам, ремонтные врезки, реконструкция и расширение существующих сетей.
Позиции
| Арт. | Диаметр | Вес, г | В коробке | Цена, руб. | Заказать |
|---|---|---|---|---|---|
| ALR-SD-63x32 | 63×32 мм | 550 | 6 | 2 700.00 Р |
|
| ALR-SD-63x63 | 63×63 мм | 710 | 4 | 3 240.00 Р |
|
| ALR-SD-110x32 | 110×32 мм | 720 | 4 | 3 870.00 Р |
|
| ALR-SD-110x63 | 110×63 мм | 865 | 4 | 4 050.00 Р |
|
| ALR-SD-160x32 | 160×32 мм | 880 | 2 | 5 220.00 Р |
|
| ALR-SD-160x63 | 160×63 мм | 1050 | 2 | 5 400.00 Р |
|