Участок гориз. бурения
+7 (913) 628-71-82
Участок сварки ПЭ труб
+7 (913) 628-71-67
Офис/магазин
+7 (3812) 51-82-97

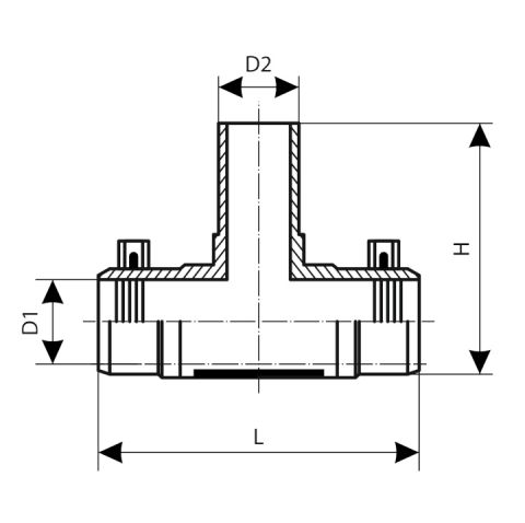
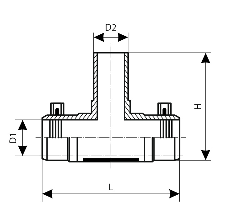
Тройник электросварной ПЭ100 SDR 11 - 17,6

Электросварной тройник ALLURE используется для создания ответвлений в полиэтиленовых трубопроводных системах. Обеспечивает герметичное разветвление потока на два направления. Три сварных точки с встроенными нагревательными элементами гарантируют равнопрочное соединение во всех патрубках.

Характеристики

  • Материал: полиэтилен ПЭ100
  • Серия давления: SDR 11 — SDR 17,6
  • Тип: равнопроходный или редукционный тройник
  • Метод соединения: электросварка
  • Рабочая температура: −20°C до +40°C
  • Соответствие: ГОСТ Р ИСО 11413, EN 12201
  • Бренд: ALLURE

Преимущества

  • Возможность создания ответвлений без врезки и сварки встык
  • Равномерное распределение давления по всем патрубкам
  • Нет риска протечки в месте ответвления
  • Доступен в равнопроходном и редукционном исполнении
  • Совместим со стандартным сварочным оборудованием

Область применения

Разводящие сети водоснабжения, газораспределение, узлы подключения абонентов, ирригационные и дренажные системы.

Скачать каталог PDF

Позиции

Арт. Диаметр Вес, г В коробке Цена, руб. Заказать
ALR-TN-110 110 мм 1875 2 2 000.00 Р
ALR-TN-110x63 110×63 мм 1660 2 2 000.00 Р
ALR-TN-110x90 110×90 мм 1750 2 2 000.00 Р