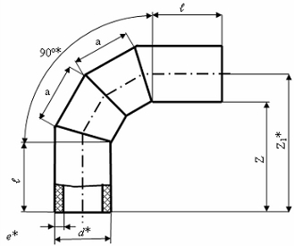
Отвод сварной сегментный 90° односекционный
|
d* |
l |
а |
Z |
Z1 |
Расчетная масса*,кг |
|||||||
|
Номин. |
Пред. откл. ± |
Номин. |
Пред. откл. |
Номин. |
Пред. откл. ± |
SDR 26 |
SDR 17 |
SDR 13,6 |
SDR 11 |
|||
|
90 |
185 |
7 |
150 |
4 |
238 |
10 |
283 |
0,46 |
0,70 |
0,86 |
1,04 |
|
|
110 |
185 |
7 |
170 |
4 |
240 |
10 |
295 |
0,72 |
1,08 |
1,33 |
1,61 |
|
|
125 |
190 |
7 |
170 |
7 |
237 |
12 |
299 |
0,95 |
1,42 |
1,75 |
2,12 |
|
|
140 |
195 |
7 |
215 |
7 |
264 |
12 |
334 |
1,31 |
1,96 |
2,41 |
2,92 |
|
|
160 |
200 |
8 |
245 |
8 |
279 |
14 |
359 |
1,82 |
2,73 |
3,36 |
4,07 |
|
|
180 |
203 |
8 |
265 |
8 |
284 |
14 |
374 |
2,40 |
3,59 |
4,42 |
5,36 |
|
|
200 |
208 |
8 |
290 |
8 |
295 |
14 |
395 |
3,12 |
4,67 |
5,74 |
6,97 |
|
|
225 |
213 |
8 |
320 |
10 |
307 |
15 |
419 |
4,17 |
6,24 |
7,68 |
9,32 |
|
|
250 |
310 |
10 |
345 |
10 |
407 |
17 |
532 |
6,66 |
12,6 |
12,26 |
14,88 |
|
|
280 |
320 |
10 |
365 |
10 |
413 |
17 |
553 |
8,7 |
17,8 |
16,1 |
19,4 |
|
|
315 |
370 |
10 |
380 |
10 |
453 |
17 |
611 |
12,3 |
18,4 |
22,6 |
27,4 |
|
|
355 |
370 |
10 |
455 |
10 |
483 |
17 |
660 |
16,2 |
24,9 |
30,6 |
37,2 |
|
|
400 |
378 |
10 |
500 |
10 |
496 |
17 |
696 |
22,2 |
33,2 |
40,9 |
49,6 |
|
|
450 |
385 |
10 |
570 |
10 |
523 |
17 |
748 |
30,0 |
44,8 |
55,2 |
66,9 |
|
|
500 |
443 |
10 |
625 |
20 |
591 |
24 |
841 |
41,7 |
62,4 |
76,8 |
93,2 |
|
|
560 |
453 |
15 |
695 |
20 |
615 |
29 |
895 |
55,4 |
83,0 |
103 |
124 |
|
|
630 |
460 |
15 |
770 |
20 |
634 |
29 |
949 |
74,1 |
111 |
136 |
165 |
|
|
710 |
950 |
20 |
1490 |
50 |
1582 |
55 |
1937 |
189 |
282 |
347 |
422 |
|
|
800 |
1000 |
20 |
1540 |
50 |
1615 |
55 |
2015 |
250 |
374 |
460 |
559 |
|
|
900 |
1000 |
30 |
1600 |
50 |
1599 |
65 |
2049 |
322 |
482 |
— |
— |
|
|
1000 |
1050 |
30 |
1650 |
60 |
1626 |
91 |
2126 |
414 |
620 |
— |
— |
|
|
1200 |
1100 |
30 |
1750 |
60 |
1630 |
91 |
2230 |
628 |
- |
- |
— |
|
Отвод сварной сегментный 90° двухсекционный
|
d* |
l |
а |
Z |
Z1 |
Расчетная масса*,кг |
||||||
|---|---|---|---|---|---|---|---|---|---|---|---|
|
Номин. |
Пред. откл. ± |
Номин. |
Пред. откл. |
Номин. |
Пред. откл. ± |
SDR 26 |
SDR 17 |
SDR 13,6 |
SDR 11 |
||
|
90 |
175 |
7 |
113 |
3 |
263 |
11 |
308 |
0,49 |
0,74 |
0,91 |
1,10 |
|
110 |
175 |
7 |
119 |
3 |
257 |
11 |
312 |
0,75 |
1,12 |
1,37 |
1,67 |
|
125 |
180 |
7 |
137 |
3 |
276 |
11 |
338 |
1,04 |
1,55 |
1,91 |
2,31 |
|
140 |
185 |
7 |
160 |
4 |
301 |
12 |
371 |
1,41 |
2,11 |
2,60 |
3,15 |
|
160 |
190 |
7 |
185 |
4 |
326 |
12 |
406 |
2,00 |
2,99 |
3,68 |
4,47 |
|
180 |
193 |
7 |
205 |
7 |
341 |
17 |
431 |
2,67 |
4,0 |
4,93 |
5,98 |
|
200 |
198 |
7 |
225 |
7 |
359 |
17 |
459 |
3,50 |
5,24 |
6,44 |
7,82 |
|
225 |
203 |
8 |
260 |
8 |
393 |
19 |
506 |
4,84 |
7,24 |
8,91 |
10,8 |
|
250 |
310 |
10 |
285 |
8 |
508 |
21 |
641 |
7,75 |
11,6 |
14,2 |
17,3 |
|
280 |
310 |
10 |
295 |
8 |
516 |
21 |
648 |
9,82 |
14,7 |
18,1 |
22,0 |
|
315 |
360 |
10 |
320 |
8 |
567 |
21 |
724 |
14,0 |
20,9 |
25,7 |
31,2 |
|
355 |
360 |
10 |
365 |
10 |
599 |
24 |
776 |
18,9 |
28,2 |
34,7 |
42,1 |
|
400 |
368 |
10 |
405 |
10 |
628 |
24 |
828 |
25,4 |
38,1 |
46,8 |
56,8 |
|
450 |
375 |
10 |
460 |
10 |
674 |
24 |
899 |
34,6 |
51,8 |
63,8 |
77,4 |
|
500 |
433 |
10 |
510 |
10 |
764 |
24 |
1014 |
48,3 |
72,4 |
89,1 |
108 |
|
560 |
443 |
10 |
565 |
10 |
805 |
24 |
1085 |
64,6 |
96,7 |
119 |
144 |
|
630 |
450 |
15 |
625 |
10 |
843 |
29 |
1158 |
86,8 |
130 |
160 |
194 |
|
710 |
850 |
20 |
1160 |
40 |
1915 |
75 |
2270 |
213 |
319 |
393 |
476 |
|
800 |
900 |
20 |
1190 |
40 |
1940 |
75 |
2340 |
280 |
419 |
516 |
626 |
|
900 |
900 |
20 |
1260 |
40 |
1962 |
75 |
2412 |
365 |
546 |
— |
— |
|
1000 |
950 |
30 |
1320 |
50 |
2021 |
98 |
2521 |
472 |
706 |
— |
— |
|
1200 |
1000 |
30 |
1400 |
50 |
2034 |
98 |
2634 |
712 |
- |
— |
— |
|
d* |
l |
а |
Z |
Z1 |
Расчетная масса*,кг |
|||||||
|
Номин. |
Пред. откл. ± |
Номин. |
Пред. откл. |
Номин. |
Пред. откл. ± |
SDR 26 |
SDR 17 |
SDR 13,6 |
SDR 11 |
|||
|
90 |
175 |
7 |
113 |
3 |
263 |
10 |
283 |
0,46 |
0,70 |
0,86 |
1,04 |
|
|
110 |
175 |
7 |
119 |
3 |
257 |
10 |
295 |
0,72 |
1,08 |
1,33 |
1,61 |
|
|
125 |
180 |
7 |
137 |
3 |
276 |
12 |
299 |
0,95 |
1,42 |
1,75 |
2,12 |
|
|
140 |
185 |
7 |
160 |
4 |
301 |
12 |
334 |
1,31 |
1,96 |
2,41 |
2,92 |
|
|
160 |
190 |
7 |
185 |
4 |
326 |
14 |
359 |
1,82 |
2,73 |
3,36 |
4,07 |
|
|
180 |
193 |
7 |
205 |
7 |
341 |
14 |
374 |
2,40 |
3,59 |
4,42 |
5,36 |
|
|
200 |
198 |
7 |
225 |
7 |
359 |
14 |
395 |
3,12 |
4,67 |
5,74 |
6,97 |
|
|
225 |
203 |
8 |
260 |
8 |
393 |
15 |
419 |
4,17 |
6,24 |
7,68 |
9,32 |
|
|
250 |
310 |
10 |
285 |
8 |
508 |
17 |
532 |
6,66 |
12,6 |
12,26 |
14,88 |
|
|
280 |
310 |
10 |
295 |
8 |
516 |
17 |
553 |
8,7 |
17,8 |
16,1 |
19,4 |
|
|
315 |
360 |
10 |
320 |
8 |
567 |
17 |
611 |
12,3 |
18,4 |
22,6 |
27,4 |
|
|
355 |
360 |
10 |
365 |
10 |
599 |
17 |
660 |
16,2 |
24,9 |
30,6 |
37,2 |
|
|
400 |
368 |
10 |
405 |
10 |
628 |
17 |
696 |
22,2 |
33,2 |
40,9 |
49,6 |
|
|
450 |
375 |
10 |
460 |
10 |
674 |
17 |
748 |
30,0 |
44,8 |
55,2 |
66,9 |
|
|
500 |
433 |
10 |
510 |
10 |
764 |
24 |
841 |
41,7 |
62,4 |
76,8 |
93,2 |
|
|
560 |
443 |
15 |
565 |
10 |
805 |
29 |
895 |
55,4 |
83,0 |
103 |
124 |
|
|
630 |
450 |
15 |
625 |
10 |
843 |
29 |
949 |
74,1 |
111 |
136 |
165 |
|
|
710 |
850 |
20 |
1160 |
40 |
1915 |
55 |
1937 |
189 |
282 |
347 |
422 |
|
|
800 |
900 |
20 |
1190 |
40 |
1940 |
55 |
2015 |
250 |
374 |
460 |
559 |
|
|
900 |
900 |
20 |
1260 |
40 |
1962 |
65 |
2049 |
322 |
482 |
— |
— |
|
|
1000 |
950 |
30 |
1320 |
50 |
2021 |
91 |
2126 |
414 |
620 |
— |
— |
|
|
1200 |
1000 |
30 |
1400 |
50 |
2034 |
91 |
2230 |
628 |
- |
- |
— |
|

